¶¨ÖÆ·þÎñÁ÷³Ì
¸ù¾Ý²»Í¬¹¤¿ö£¬Ìṩ¶¨ÖÆ·þÎñ
Military industry filter
¹ýÂ˾«¶È¸ßͨÓÍÄÜÁ¦´óÄÉÎÛÁ¿´ó
ÓÃ/»§/¿É/¸ù/¾Ý/ʵ/¼Ê/¹¤/¿ö/¶¨/ÖÆ/
¾ü¹¤ÐÐÒµ»úе¼Ó¹¤É豸
ʯ»¯¡¢Ò±½ð·ÄÖ¯
µç×Ó¼°ÖÆÒ©
Ö÷Ò³ > ²úÆ·°å¿é > ÓÍÆ·¾»»¯°å¿é > ¾ü¹¤ÐÐÒµ¹ýÂËÆ÷ >
YPM£¬YPHϵÁÐѹÁ¦¹Ü·¹ýÂËÆ÷²ÉÓÃÓÅÖʲ»Ðâ¸ÖÖÆÔ죬ÄÚͲΪ²»Ðâ¸Ö±¡°å³å¿×³ÉÐÎÂËͲ£¬½ôÅäË¿Íø½á¹¹£¬»î½ÚÁ¬½Ó£¬²ðжÇåÏ´·½±ã¡£ÕâÖֹ㷺ÊÊÓÃÓÚÆ¡¾Æ¡¢CIPÇåÏ´ÒºµÄ¹ýÂË£¬¿É¸ù¾ÝÓû§Êµ¼ÊʹÓÃÇé¿ö£¬Ñ¡ÓÃ20-100Ä¿²»Ðâ¸ÖË¿ÍøÅäÌס£¸Ã¹Ü·¹ýÂËÆ÷ÊǹܵÀÊäËÍÒºÌå¹ý³ÌÖÐÇå³ý¹ÌÌåÔÓÖʵÄÉ豸£¬µ±ÒºÌåÁ÷¾Ó͹ýÂËÆ÷ʱ£¬ÆäÖеÄÔÓÖʱ»Â˳ö£¬¿É±£»¤»ú±Ã¡¢Ñ¹Ëõ»ú¡¢ÒDZíºÍÆäËüÉ豸Õý³£¹¤×÷¡£µ±ÐèÒªÇåϴʱ£¬Ö»Òª½«¿É²ðжµÄÂËͲȡ³ö£¬È¥³ýÂ˳öµÄÔÓÖʺó£¬ÖØÐÂ×°Èë¼´¿É£¬Ê¹ÓÃά»¤¼«Îª·½±ã¡£
| Ó¦Ó÷¶Î§ | ¹ã·ºÓ¦ÓÃÓÚ¾ü¹¤ÐÐÒµ¡¢ÖØÐÍ»úе¡¢¿óɽ»úе¡¢Ò±½ð»úеµÈҺѹϵͳ¡£ |
| ¹ýÂ˽éÖÊ | ¿óÎïÓÍ¡¢È黯Һ¡¢Ë®-ÒÒ¶þ´¼¡¢Á×Ëáõ¥ÒºÑ¹ÒºÖеĹÌÌå¿ÅÁ£¼°½º×´ÎïÖÊ |
| ×Éѯµç»° | 400-0089-277 |
ÐÔÄÜÓëÌØµã
1¡¢ ÓëͬµÈÁ÷Á¿¹ýÂËÆ÷Ïà±È£¬½á¹¹½ô´ÕÌå»ýС¡£
2¡¢ ʹÓÃѹÁ¦·¶Î§¿í¡£
3¡¢ »»ÂËо·½±ã£¬Óû§¿É¸ù¾Ý°²×°¿Õ¼ä£¬´òŽÔÉϸǣ¬¸ü»»ÂËо£¬Ò²¿ÉÐýÏÂÍâ¿Ç£¨ÏÈ·ÅÓÍ£©´ÓÏÂÃæÈ¡ÏÂÂËо¡£
4¡¢ °²×°¹Ì¶¨·½±ã£ºÈçÓû§°´±ê×¼Á÷Ïò°²×°ÓÐÀ§ÄÑʱ¿É²ðϸÇÉÏ4¸öÂݶ¤£¬°Ñ¸Çת¶¯180¶È¡£ÕâÑù¾Í¸Ä±äÁ˽éÖÊÁ÷¶¯·½Ïò¡£
5¡¢ ¸Ã¹ýÂËÆ÷ÉèÓÐÅÔͨ·§ºÍѹ²î·¢Ñ¶×°Öã¬Ë«Öر£»¤¹¦ÄÜ¡£µ±ÂËоÎÛȾ¶ÂÈûÖÁ½ø³ö¿Úѹ²îֵΪ·¢Ñ¶Æ÷µ÷¶¨ÖµÊ±£¬·¢Ñ¶Æ÷·¢Ñ¶£¬´Ëʱ±ØÐë¸ü»»ÂËо¡£
¼¼Êõ²ÎÊý
¹ýÂ˾«¶È£¨¦Ìm£©£º0.0001 ¹¤×÷ѹÁ¦£¨max£©£º42MPa
¹¤×÷ζȣº-25¡æ¡«110¡æ ·¢Ñ¶Æ÷·¢Ñ¶Ñ¹²î£º0.7MPa
¿É¸ù¾Ý²»Í¬¹¤¿öÇé¿ö¶¨ÖÆ
| ÐͺŠ| ¹«³ÆÁ÷Á¿ Flow rate (L/min) |
¹ýÂ˾«¶È Filtr. (¦Ìm) |
¹«³ÆÑ¹Á¦ £¨MPa£© |
ѹÁ¦Ëðʧ Iniaitl.¡÷P (MPa) |
·¢Ñ¶Æ÷¹¦ÂÊ £¨V/W£© |
ÂËоÐͺŠ| Á¬½Ó·½Ê½ | |
|---|---|---|---|---|---|---|---|---|
| Initial | Max. | |||||||
| PLF - 30 x *P | 30 | 3 5 10 20 |
H=32 E=16 C=6.3 |
<=0.07 | 0.5 | 24V/48W 220V/50W |
PLFX-30-X* | ¹Üʽ |
| PLF - Ο 60 X *P | 60 | LH0060D*BN3HC | ||||||
| PLF-Ο 110x*P | 110 | LH0110D*BN3HC | ||||||
| PLF-Ο 160x*P | 160 | LH0160D*BN3HC | ||||||
| PLF-Ο 240x*FP | 240 | LH0240D*BN3HC | ·¨À¼Ê½ | |||||
| PLF-Ο 330 x*FP | 330 | LH0330D*BN3HC | ||||||
| PLF-Ο 500 x*FP | 500 | LH0500D*BN3HC | ||||||
| PLF-Ο 660x*FP | 660 | LH0660D*BN3HC | ||||||
×¢£º*Ϊ¹ýÂ˾«¶È¡£Ê¹ÓýéÖÊΪˮһÒÒ¶þ´¼£¬Ê¹ÓÃѹÁ¦32MPa£¬¹«³ÆÁ÷Á¿60L/min£¬¹ýÂ˾«¶È10¦Ìm£¬´ø·¢Ñ¶Æ÷¡£Ôò¹ýÂËÆ÷ÐͺÅΪPLFΟBH-H60 x 10P£¬ÂËоÐͺÅΪ LH0060D010BN3HC
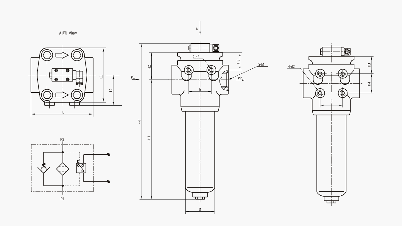
Á´½Ó³ß´ç
Ò»¡¢¹Üʽ
1¡¢32MPaѹÁ¦¹Ü·¹ýÂËÆ÷
| ÐͺŠModel |
³ß ´ç Size (mm) | |||||||||||
|---|---|---|---|---|---|---|---|---|---|---|---|---|
| ~H | ~H1 | H2 | H3 | H4 | h | L | L1 | L2 | D | M | d2 | |
| PLF-H30 x *P | 239 | 146 | 58 | 45 | 35 | 118 | 114 | 69 | 73 | 2 - M33 x 2 | 2-M10 | |
| PLF-H60 X *P | 255 | 162 | 58 | 45 | 35 | 118 | 114 | 69 | 73 | 2 - M33 x 2 | 2-M10 | |
| PLF-H110x*P | 329 | 236 | 58 | 45 | 35 | 118 | 114 | 69 | 73 | 2-M42x2 | 2-M10 | |
| PLF-H160x*P | 319 | 215 | 69 | 49 | 45 | 50 | 150 | 140 | 82 | 102 | 2-M48X2 | 4-M10 |
2¡¢16MPa ѹÁ¦¹Ü·¹ýÂËÆ÷
| ÐͺŠModel |
³ß ´ç Size (mm) | |||||||||||
|---|---|---|---|---|---|---|---|---|---|---|---|---|
| ~H | ~H1 | H2 | H3 | H4 | h | L | L1 | L2 | D | M | d2 | |
| PLF-E30 x *P | 223 | 136 | 52 | 39 | 35 | 110 | 100 | 62 | 73 | 2 - M33 x 2 | 2-M10 | |
| PLF-E60 X *P | 239 | 152 | 52 | 39 | 35 | 110 | 100 | 62 | 73 | 2 - M33 x 2 | 2-M10 | |
| PLF-E110x*P | 308 | 221 | 52 | 39 | 35 | 110 | 100 | 62 | 73 | 2-M42x2 | 2-M10 | |
| PLF-E160x*P | 294 | 196 | 63 | 43 | 45 | 45 | 140 | 130 | 77 | 95 | 2-M48x2 | 4-M10 |
3¡¢6.3MPaѹÁ¦¹Ü·¹ýÂËÆ÷
| ÐͺŠModel |
³ß ´ç Size (mm) | |||||||||||
|---|---|---|---|---|---|---|---|---|---|---|---|---|
| ~H | ~H1 | H2 | H3 | H4 | h | L | L1 | L2 | D | M | d2 | |
| PLF - C30 X *P | 223 | 136 | 52 | 39 | 35 | 110 | 88 | 56 | 73 | 2 - M33 x 2 | 2-M10 | |
| PLF - C60 x *P | 239 | 152 | 52 | 39 | 35 | 110 | 88 | 56 | 73 | 2 - M33 x 2 | 2-M10 | |
| PLF - C110 x *P | 308 | 221 | 52 | 39 | 35 | 110 | 88 | 56 | 73 | 2-M42x2 | 2-M10 | |
| PLF - C160 X *P | 290 | 196 | 59 | 39 | 45 | 45 | 140 | 114 | 69 | 95 | 2-M48x2 | 2-M10 |
¶þ¡¢·¨À¼Ê½
1¡¢32MPaѹÁ¦¹Ü·¹ýÂËÆ÷
| ÐͺŠModel |
³ß ´ç Size (mm) | ||||||||||||||||
|---|---|---|---|---|---|---|---|---|---|---|---|---|---|---|---|---|---|
| ~H | ~H1 | H2 | H4 | H5 | h | h1 | h2 | h3 | h4 | L | L1 | L2 | D | d | d1 | d2 | |
| PLF-H242 x *FP | 377 | 273 | 69 | 45 | 49 | 50 | 79.4 ¡À0.25 | 110 | 36.5 ¡À0.25 | 90 | 150 | 140 | 82 | 102 | 2-¦µ38 | 4-M16 | 4-M10 |
| PLF-H333 x *FP | 400 | 277 | 88 | 60 | 63 | 80 | 96.8 ¡À0.25 | 130 | 44.5 ÍÁ 0.25 | 110 | 190 | 180 | 108 | 146 | 2-¦µ51 | 4-M20 | 4-M12 |
| PLF-H500 x *FP | 493 | 370 | 88 | 60 | 63 | 80 | 96.8 ¡À0.25 | 130 | 44.5 ÍÁ 0.25 | 110 | 190 | 180 | 108 | 146 | 2-¦µ51 | 4-M20 | 4-M12 |
| PLF-H666 x *FP | 567 | 444 | 88 | 60 | 63 | 80 | 96.8 ¡À0.25 | 130 | 44.5 ÍÁ 0.25 | 110 | 190 | 180 | 108 | 146 | 2-¦µ51 | 4-M20 | 4-M12 |
2¡¢16MPa ѹÁ¦¹Ü·¹ýÂËÆ÷
| ÐͺŠModel |
³ß ´ç Size (mm) | ||||||||||||||||
|---|---|---|---|---|---|---|---|---|---|---|---|---|---|---|---|---|---|
| ~H | ~H1 | H2 | H4 | H5 | h | h1 | h2 | h3 | h4 | L | L1 | L2 | D | d | d1 | d2 | |
| PLF-E240 x *FP | 352 | 254 | 63 | 45 | 43 | 45 | 69.9 ¡À0.25 | 94 | 35.7 ¡À0.25 | 82 | 140 | 130 | 77 | 95 | 2-¦µ38 | 4-M12 | 4-M10 |
| PLF-E330 x *FP | 368 | 257 | 76 | 55 | 56 | 75 | 77.8 ¡À0.25 | 102 | 42.9 ÍÁ 0.25 | 96 | 180 | 164 | 100 | 140 | 2-¦µ51 | 4-M12 | 4-M12 |
| PLF-E500 x *FP | 461 | 350 | 76 | 55 | 56 | 75 | 77.8 ¡À0.25 | 102 | 42.9 ÍÁ 0.25 | 96 | 180 | 164 | 100 | 140 | 2-¦µ51 | 4-M12 | 4-M12 |
| PLF-E660 x *FP | 535 | 424 | 76 | 55 | 56 | 75 | 77.8 ¡À0.25 | 102 | 42.9 ÍÁ 0.25 | 96 | 180 | 164 | 100 | 140 | 2-¦µ51 | 4-M12 | 4-M12 |
3¡¢6.3MPaѹÁ¦¹Ü·¹ýÂËÆ÷
| ÐͺŠModel |
³ß ´ç Size (mm) | ||||||||||||||||
|---|---|---|---|---|---|---|---|---|---|---|---|---|---|---|---|---|---|
| ~H | ~H1 | H2 | H4 | H5 | h | h1 | h2 | h3 | h4 | L | L1 | L2 | D | d | d1 | d2 | |
| PLF-C240x*FP | 348 | 254 | 59 | 45 | 39 | 45 | 69.9 ¡À0.25 | 94 | 35.7 ¡À0.25 | 82 | 140 | 114 | 69 | 95 | 2-¦µ38 | 4-M12 | 4-M12 |
| PLF-C330x*FP | 350 | 249 | 66 | 55 | 46 | 65 | 77.8 ¡À0.25 | 102 | 42.9 ¡À0.25 | 96 | 180 | 144 | 90 | 133 | 2-¦µ51 | 4-M12 | 4-M12 |
| PLF-C500x*FP | 443 | 342 | 66 | 55 | 46 | 65 | 77.8 ¡À0.25 | 102 | 42.9 ¡À0.25 | 96 | 180 | 144 | 90 | 133 | 2-¦µ51 | 4-M12 | 4-M12 |
| PLF-C660x*FP | 517 | 416 | 66 | 55 | 46 | 65 | 77.8 ¡À0.25 | 102 | 42.9 ¡À0.25 | 96 | 180 | 144 | 90 | 133 | 2-¦µ51 | 4-M12 | 4-M12 |
ÏÖ³¡Ö±»÷
ϸ½Úչʾ
ÊÓÆµ
¿Í»§°¸Àý
ÓÃ;£ºÒºÑ¹Ó͹ýÂËÁ÷Á¿£º1000t/h
ÓÃ;£ºÒºÑ¹Ó͹ýÂËÁ÷Á¿£º200t/h
ÓÃ;£ºÓ͹ýÂËÁ÷Á¿£º100t/h
¸ù¾Ý²»Í¬¹¤¿ö£¬Ìṩ¶¨ÖÆ·þÎñ
ÄúÖ»ÐèÒ»¸öµç»° ʣϵĽ»¸øÎÒÃÇ
Á¢¼´×ÉѯְҵÏúÊÛÍŶÓÓëÄú¶Ô½ÓÐèÇóÇé¿ö
ÌṩÐèÇóרҵ¹¤³Ìʦ Ìṩ¾«×¼½â¾ö·½°¸
»ñÈ¡·½°¸±ê×¼»¯Éú²úÁ÷³Ì ±£ÕϲúÆ·ÖÊÁ¿
²úÆ·Ô¤¶¨×¨Òµ°²×°ÍÅ¶Ó ±£ÕÏÉ豸Õý³£ÔËÐÐ
¼¼ÊõÖ§³ÖÌṩȫÌ׺óÆÚά»¤·þÎñ
·þÎñÖÐÐÄ